Автоматическая система нанесения порошковой краски М2
Применение: оборудование для порошковой окраски металлических деталей.
Преимущество и особенность:
- Высокая скорость подачи порошка и низкий уровень отходов
- Автоматический пистолет для порошковой окраски может помочь повысить скорость линии и увеличить производительность.
- Принимаемые во всем мире источники питания: 100~240 В переменного тока, самоадаптирующиеся

Технические характеристики:
Мощность AC100 ~ 240 В / 50 ~ 60 Гц (самоадаптирующаяся)
Максимальная мощность 50 Вт
Уровень безопасности IP54
Температура окружающей среды 0~40℃ (+32~+104℉)
Давление на входе 0,55 МПа (5,5 бар, 80 фунтов на кв. дюйм)
Электростатическая полярность отрицательная
Максимальное выходное напряжение 130 кВ
Максимальный выходной ток 100 мкА
Стандартный вес пистолета 550 г.
Длина шнура питания 9 м
Длина шланга подачи пистолета 9 м
Максимальная производительность порошка 650 г/мин.

Блок управления: цифровое управление
Сертификат: сертифицирован CE
Срок службы: длительный срок службы более 10 лет
Обслуживание: низкая плата за обслуживание --- каждый год в пределах 100 долларов США или меньше
Эксплуатация: простая настройка для различных уровней порошковой окраски
Условия работы: маломощная электронная схема, подходящая для 24 часов * 365 дней длительной работы.
Мощность (100 кВ, 100 мкА, с минимальной нагрузкой) потребляется менее 3 Вт, а потребляемая мощность при полной нагрузке (100 кВ, 100 мкА) составляет менее 18 Вт.
Соответствие установленных и фактических значений:

Преимущество: M2 имеет встроенную компьютерную систему, которая автоматически контролирует выходное напряжение и ток при нанесении покрытия, что является гарантией предотвращения воспламенения и высокой производительности: широко используется во всем мире во всех отраслях промышленности.
Ошибки отображаются на дисплее блока управления автоматически.

Порошковый инжекторный насос предназначен для забора порошковой краски из бункера питателя и подачу порошково-воздушной смеси на пистолет распылитель.
Высоко производительный порошковый насос с длительным сроком службы:
В стойке управления можно разместить от 2 до 26 блоков управления М2. Класс защиты IP54

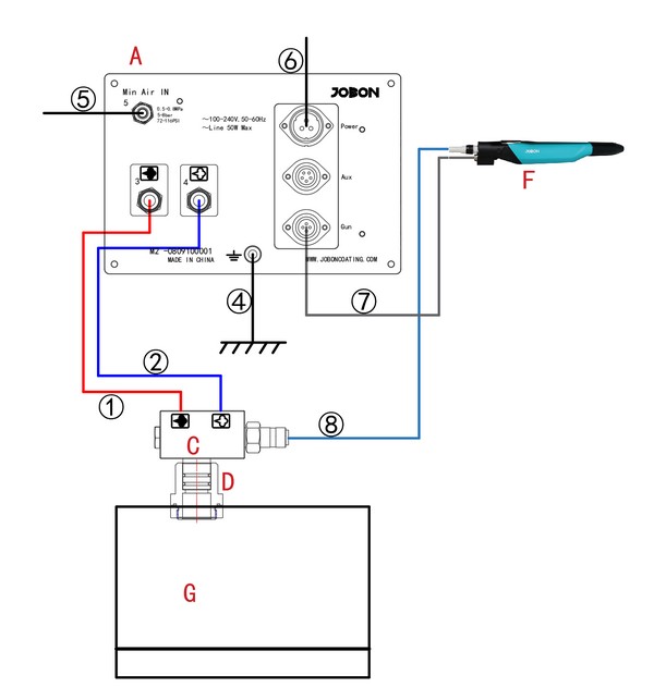
Схема подключения пистолета к блоку управления и инжекторному насосу

Автоматические манипуляторы G2
Манипуляторы предназначен для крепления автоматических электростатических пистолетов для порошковой окраски.
Идеальная поверхность покрытия может быть достигнута простой регулировкой хода и скорости возвратно-поступательного движения в соответствии с требованиями технологического процесса.

Блок управления манипулятором

Сервопривод манипулятора

Технические характеристики манипулятора:
Напряжение: 220V,
Мощьность: 1.2kw
Управление: Сенсорный экран
Тип двигателя: Серводвигатель для привода
Минимальная высота положения: 0.7m
Максмальная высота положения: 3.2m
Функции: С дорожкой для ручного перемещения манипулятора вперед и назад; С передним и задним резиновым стопорным тормозом