Автоматическая система нанесения порошковой краски S20
Предназначена для нанесения порошковой краски поверхности металлических деталей.
Преимущество и особенность:
- Высокая скорость подачи порошка и низкий уровень отходов;
- Каждый блок может быть ведущим
- Пять превосходных возможностей: автоматическое подавление толщины; узкое изделие, покрытие с глубокими канавками; автоматическое нанесение покрытия; адгезионное покрытие проникает на большое расстояние; окраска сложной конфигурации изделий
- Сенсорный экран
- Быстрый возврат к заводским настройкам
- Хорошая производительность для распыления порошка с текстурой
- Хорошая производительность для сложных деталей с эффектом клетки Фарадея
- AC100~240В/50~60Гц (самоадаптирующийся)
- Автоматический пистолет для порошковой окраски S20 может взаимодействовать с роботом для реализации «автоматической и непрерывной регулировки параметров», превышающей возможности человека.
- 26 программ для настроек в памяти

Автоматический пистолет-распылитель S20 для порошковой окраски
Параметры:
Технические характеристики:
Мощность AC100 ~ 240 В / 50 ~ 60 Гц (самоадаптирующаяся)
Максимальная мощность 50 Вт
Уровень безопасности IP54
Температура окружающей среды 0~40℃ (+32~+104℉)
Давление на входе 0,55 МПа (5,5 бар, 80 фунтов на кв. дюйм)
Электростатическая полярность отрицательная
Максимальное выходное напряжение 150 кВ
Максимальный выходной ток 120 мкА
Стандартный вес пистолета 580 г.
Стандартная длина пистолета 33 см (от курка до кончика)
Длина шланга подачи пистолета 9 м.
Максимальная производительность порошка 650 г/мин.

Рекомендуемая настройка для простой конфигурации деталей (плоских): кВ: 80; UA: 30

Рекомендуемая настройка для сложной конфигурации деталей: кВ: 50; UA: 70

Рекомендуемая настройка для ремонта: кВ: 25; UA: 50
Когда вы устанавливаете настройку для восстановления, настройка фиксируется и блокируется системой. Вы можете просто следовать системным настройкам, чтобы выполнить ремонт.
Автоматические манипуляторы G2

Манипуляторы предназначены для крепления автоматических электростатических пистолетов нанесения порошковой окраски.
Идеальная поверхность покрытия может быть достигнута простой регулировкой хода и скорости возвратно-поступательного движения в соответствии с требованиями производства.
Напряжение: 220В
Мощность: 1,2 кВт
Контрольная панель управления: Сенсорный экран
Тип двигателя: Серводвигатель для привода
Ход манипулятора: 2 метра
Минимальная высота позиции: 0.7 м.
Полная высота: 3.2 м.
Функции:
** С треком для ручного перемещения вперед и назад
** С передним и задним резиновым стопорным тормозом;
** Все параметры, включая скорость движения, время паузы и т. д., могут быть установлены вручную в соответствии с вашими реальными потребностями.
Блок управления манипуляторами и сервопривод

Держатели пистолетов

Порошковый инжекторный насос

Порошковый инжектор предназначен для забора порошковой краски из бункера питателя и подачу порошково-воздушной смеси на пистолет распылитель
Регулировка подающего воздуха осуществляется блоком управления на котором расположены соответствующие данной функции параметры.
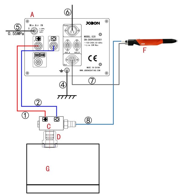
Схема подключения пистолетов к блоку управления
